商品信息
基本参数
- 产地
- 品牌
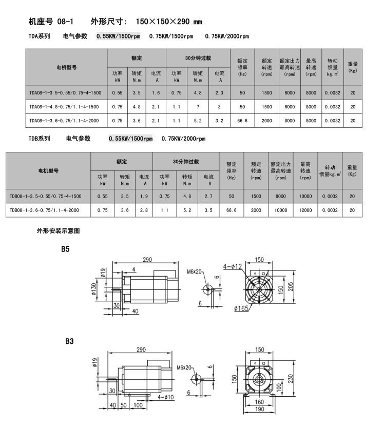
- 产品型号
- 产品操作
- 产品应用范围
- 产品材料等级
- 产品表面处理
- 体积(m²)
- 产品重量(kg)
- 型号0.75
- 额定转速30000 (rpm)
- 品牌腾达源
- 产品认证iso9001
- 额定功率0.75
- 额定电压220
- 产品类型永磁同步电动机
- 规格拍前请咨询客服,0.75kw-500kw
- 极数8极
- 应用范围铣床 车床 镗床 叼铣机
产品简介:
产品详情:电机功能:刚性攻丝高速响应转矩控制c轴功能低速大扭矩切削同步控制零速主轴锁高速恒功率cutting分度盘function准停功能速度控制位置控制
该主轴伺服电机的订货押金为200元
实际价钱可以详尽谈论,电话机:13584873569
图为主轴伺服驱动器主轴伺服电机制动电阻编码器线配套完备






